ステンレス・鉄・アルミ加工
有限会社 望月製作所
dsc05995.jpg dsc060201.jpg dsc06004.jpg

  
 〒426-0009 静岡県藤枝市八幡626-1   
TEL 054-644-1503 FAX 054-644-1293
 
 
ステンレス・鉄・アルミ加工

有限会社
望月製作所

dsc05995.jpg dsc060201.jpg dsc05999.jpg dsc06004.jpg
   
 
〒426-0009    
静岡県藤枝市八幡626-1 
TEL 054-644-1503  
FAX 054-644-1293  
 

ご注文の流れ

ご注文の流れ

1,お客様からのお問合せやご相談及び依頼                              

1,お客様からのお問合せやご相談及び依頼

お問合せのイラスト

お客様からのお問合せのお電話やメール、FAX等を通して製作予定の製品についてご依頼、ご相談を頂きます。
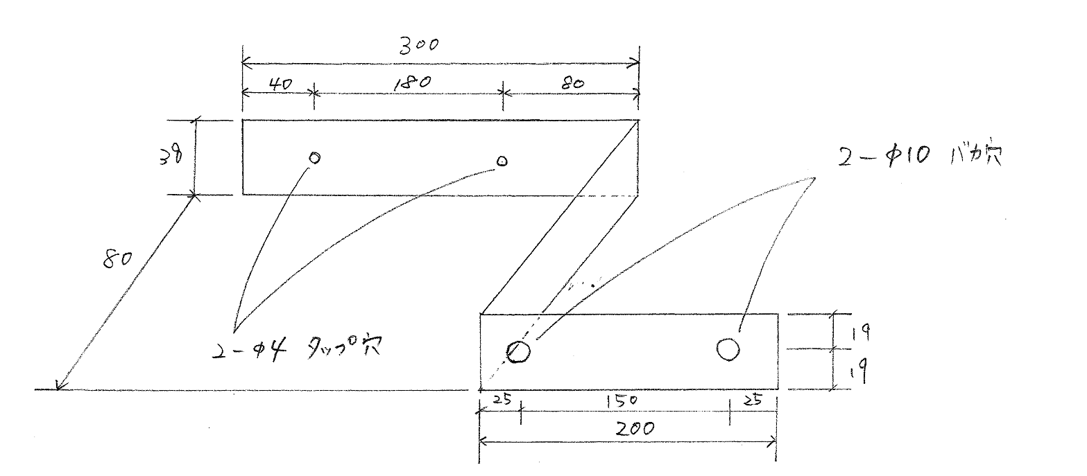
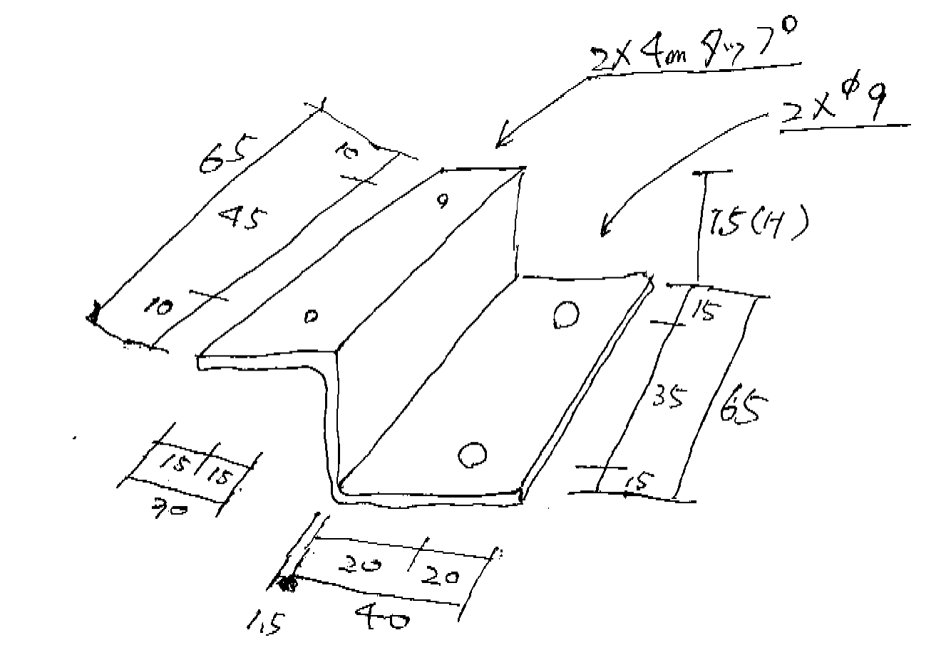
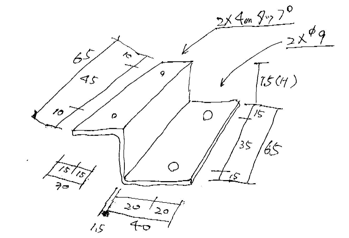
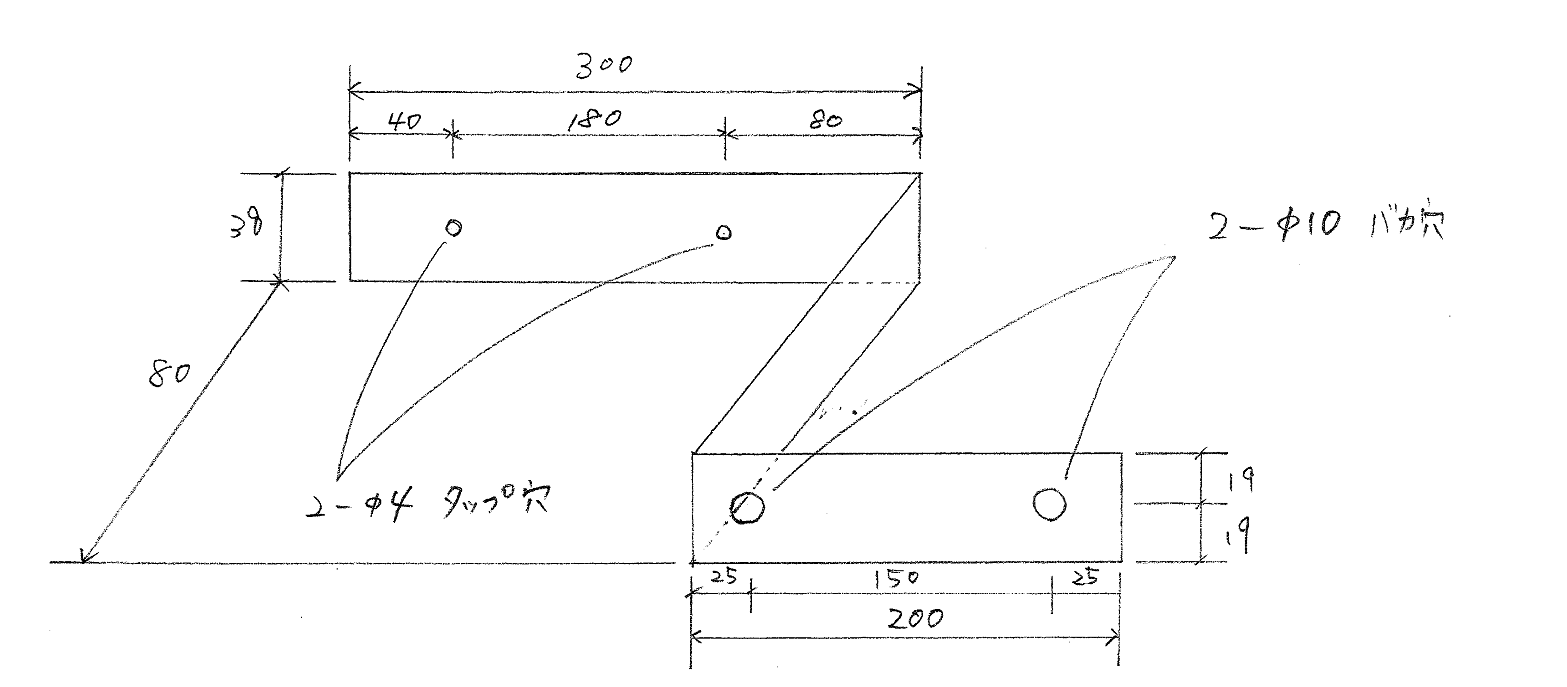
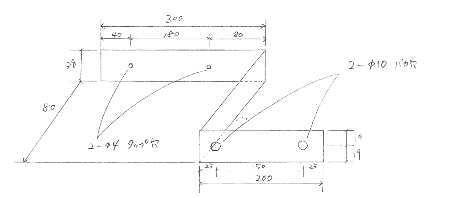
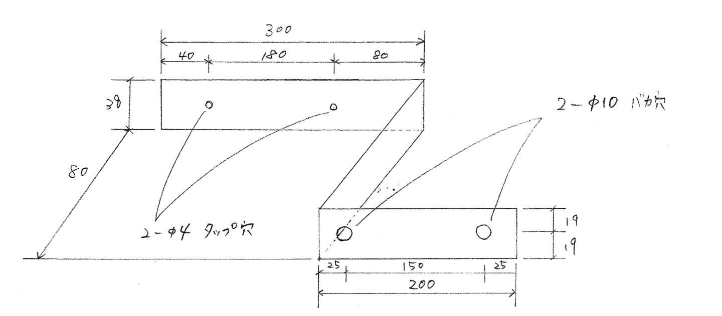
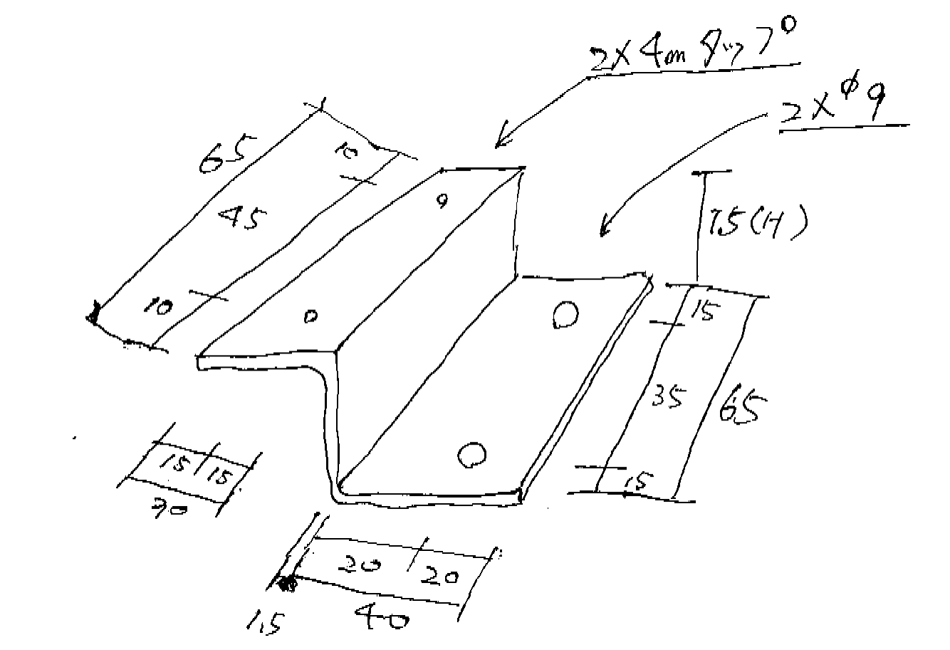
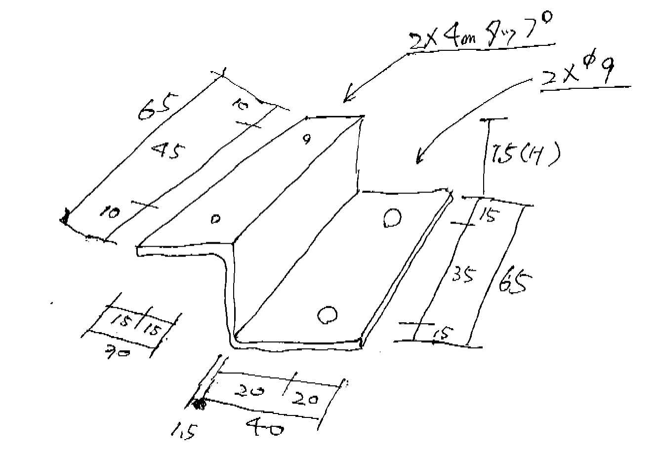
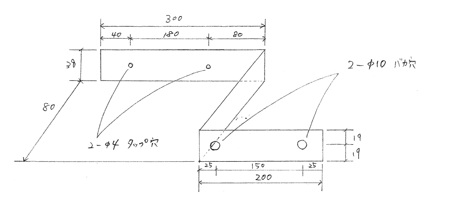
その際、製品の図面をご用意ください(手書きの簡単なイメージでも構いません)。

お問合せのイラスト

お客様からのお問合せのお電話やメール、FAX等を通して製作予定の製品についてご依頼、ご相談を頂きます。
その際、製品の図面をご用意ください(手書きの簡単なイメージでも構いません)。

2,御見積回答と納期のご連絡                                    

2,御見積回答と納期のご連絡

問い合わせ対応しているイラスト

お客様から頂いた図面を基に御見積書(価格・納期)を作成致します。
お手元に届きましたら、確認をお願い致します。
問い合わせ対応しているイラスト

お客様から頂いた図面を基に御見積書(価格・納期)を作成致します。
お手元に届きましたら、確認をお願い致します。

3,お支払い方法                                          

3,お支払い方法

銀行振込にて商品代金を支払うイラスト

弊社からのメールに記載されている振込先までご入金をお願い致します。
振込手数料は、お客様でご負担ください。
ご入金の確認後、製作に取り掛かり発送致します。
銀行振込にて商品代金を支払うイラスト

弊社からのメールに記載されている振込先までご入金をお願い致します。
振込手数料は、お客様でご負担ください。
ご入金の確認後、製作に取り掛かり発送致します。

4,製作                                              
4,製作
機械を操作し製品を製作する人のイラスト

お客様から頂いた図面を基に製品の製作に入ります。
製品完成後、お客様の元へ発送致します。
機械を操作し製品を製作する人のイラスト

お客様から頂いた図面を基に製品の製作に入ります。
製品完成後、お客様の元へ発送致します。

5,製品のお届け                                          
5,製品のお届け
製品を梱包し商品を発送するイラスト

お客様のご指定されたお届け先へ製品が届きましたら、納品完了です。
製品を梱包し商品を発送するイラスト

お客様のご指定されたお届け先へ製品が届きましたら、納品完了です。

HOME | ご注文の流れ